LoRa1121F33-1G9 module is built on SEMTECH's LR1121 chip, an ultra-low power, long-range LoRa transceiver supporting Sub-GHz and satellite-connected S-band communication. The LoRa1121F33-1G9 supports LoRa, (G)FSK modulation, Sigfox protocol, and LR-FHSS. It is compatible with the LoRaWAN communication protocol and can function as a LoRaWAN node. Additionally, it offers flexible configuration options to meet the requirements of various applications and proprietary protocols.
Parameters | Test condition | Min. | Typ. | Max | Unit |
Voltage range | 3.0 | 5 | 5.5 | V | |
Operating Temperature | -40 | 25 | 85 | ℃ | |
Maximum Input Signal | 10 | dBm | |||
Current Consumption | |||||
Transmit Current | @433MHz | < 900 | mA | ||
@1.9GHz | < 750 | mA | |||
Receive Current | < 9 | mA | |||
Sleep Current | < 18 | uA | |||
RF Parameters | |||||
Frequency Range | @433MHz | 400 | 470 | MHz | |
@470MHz | 470 | 510 | MHz | ||
@868MHz | 850 | 890 | MHz | ||
@915MHz | 900 | 940 | MHz | ||
Transmit Power | @Sub-GHz | 20 | 33 | dBm | |
@S Frequency Band | 17 | 29 | dBm | ||
Receive Sensitivity | BW=62.5KHz,SF=12 @Sub-GHz | -142 | dBm | ||
BW=125KHz,SF=12 @S Frequency Band | -132 | dBm | |||
Frequency Error | 10 | ppm | |||
Modulation Rate (@sub-GHz) | @LoRa | 0.091 | 62.5 | Kbps | |
@FSK | 0.6 | 300 | Kbps | ||
Modulation Rate (@S Frequency bands) | @LoRa | 0.292 | 87.5 | Kbps | |
Sub-GHz Bands :433/470MHz 2W
Sub-GHz Bands: 868/915MHz 1W (Customizable : 150~960 MHz)
S band: 1900MHz~2000MHz 1W (Customizable 2.4G High Power)
S band sensitivity : up to -132 dBm @ BW=125 KHz, SF=12
Sub-GHz reception sensitivity: up to-144dBm @ BW=62.5 KHz, SF=12
Electrostatic Protection (ESD)
Supports LR-FHSS
Supports LoRaWAN and Sigfox protocol
Supports AES-128 encryption and decryption
Sub-GHz transmission exceeds 10 km in open areas
Sleep current < 18µA
Receive current < 9mA
Small size, stamp hole design
Drones
Remote irrigation
Smart home/Smart agriculture
Industrial manufacturing


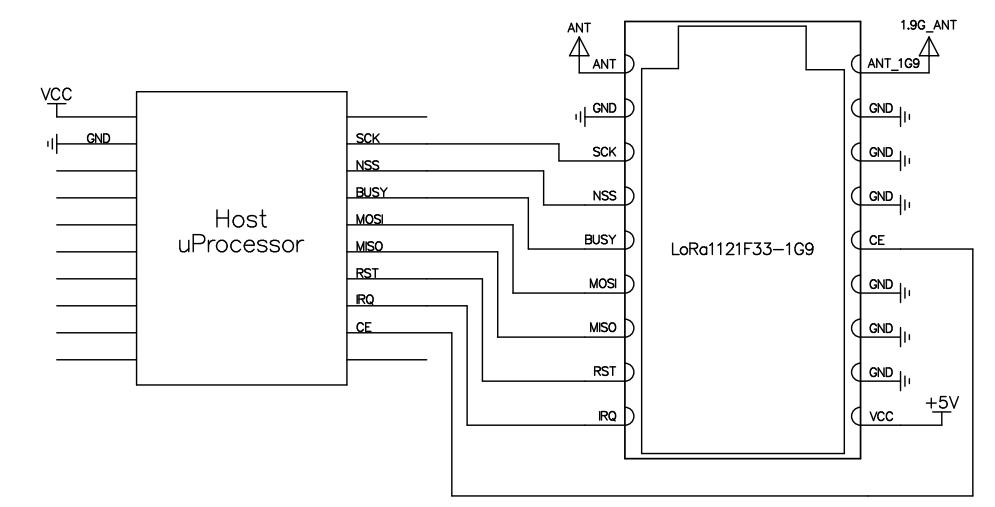
Pin NO. | Pin name | I/O | Description | Pin NO. | |
1 | VCC | Connect to the positive power supply | |||
2,3,4,6,7,8,11 | GND | Connect to the negative power supply | |||
5 | CE | I | 0-5.5V | Internal LDO enable control pin,pull high or leave floating to operate, connect to ground for sleep mode. Internally pulled up | |
9 | ANT_1G9 | 1.9GHz antenna interface, external 50-ohm antenna | |||
10 | ANT | Sub-G antenna interface, external 50-ohm antenna | |||
12 | SCK | I | 0-3.3V | SPI clock input | |
13 | NSS | I | 0-3.3V | SPI chip select input | |
14 | BUSY | O | 0-3.3V | Used for status indication, refer to the chip datasheet for details | |
15 | MOSI | I | 0-3.3V | SPI data input | |
16 | MISO | O | 0-3.3V | SPI data output | |
17 | RESET | I | 0-3.3V | Reset trigger input, refer to the chip datasheet for details | |
18 | IRQ | O | 0-3.3V | Multipurpose digital interface, refer to the chip datasheet for details | |

Privacy Policy
· Privacy Policy
There is currently no content available
Email:sales@nicerf.com
Tel:+86-755-23080616