Sep . 2021
In the process of providing customers with technical support and RF customization, we found that due to functional requirements upgrades and product updates, we often encounter problems that require modules embedded with different wireless chips to communicate with each other, but the specifications, The various differences in parameters and data formats make people wonder where to start. In this test, the RF front-end wireless modules RF4432PRO (embedded with Si4432 chip) and RF4463PRO (embedded with Si4463 chip) independently developed by NiceRF Wireless Technology Co., Ltd. were selected, and detailed experimental procedures, hardware interfaces and related sample programs were described. I hope to provide a reference method for solving communication problems between different wireless chips.
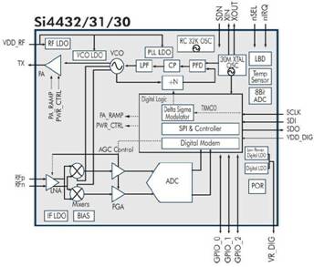
1.1 Chip performance and characteristics


Figure 1: Si4432 and Si4463 chip built-in module block diagram
The Si4432 in the RF4432PRO wireless module is a high-performance radio frequency transceiver chip developed by Silabs in the United States with a working frequency band below 1GHz, which belongs to its EzRadioPro series. It has been widely used in industry, scientific research, medical (ISM), and short-range wireless communication equipment (SRD) in China. Its output power can reach +20 dBm, and its receiving sensitivity can reach -121 dBm.
The RF4463PRO wireless module uses Silicon Lab Si4463, which is a highly integrated wireless ISM frequency band transceiver chip. The extremely low receiving sensitivity (-126 dBm), coupled with the industry-leading output power of +20 dBm, ensures extended range and improved link performance. At the same time, the diversity of built-in antennas and support for frequency hopping can be used to further expand the range and improve performance.
The specific parameters can be found in the chip manuals of Si4432 and Si4463. The RF4432PRO and RF4463PRO wireless modules provide hardware support for the built-in functions of the Si4432 and Si4463 chips. Users can directly develop and control the module programming and control according to the chip manual.
| Wireless module | RF4432PRO | RF4463PRO |
| Frequency Range | 403MHz,433MHz,463MHz | 403MHz,433MHz,463MHz |
| Emission current | 85mA,@20dBm | 85mA,@20dBm |
| Receive current | 18.5mA | 13.5mA |
| Static power | <1uA | <0.1uA |
| Transmit power range | 1dBm~20dBm | -5dBm~20dBm |
| Receiving sensitivity | -121dbm @data=1.2Kbps | -126dbm @data=500bps |
Table 1: Tested comparison of RF4432 and RF4463 RF parameters of Shenzhen NiceRF Wireless Technology Co., Ltd.
1.2 System hardware design
The experimental system hardware used the wireless modules RF4432PRO and RF4463PRO of NiceRF Wireless Technology Co., Ltd. and their corresponding DEMO boards. The RF4432PRO and RF4463PRO modules contain industrial-grade high-performance chip application circuits that have passed rigorous testing. Connect each module through the pins to complete the construction of the hardware platform. Through the SPI port control of the microcontroller in the DEMO board, the two transceiver modules communicate with each other to realize wireless data transmission. In conjunction with the wireless front-end transceiver module to facilitate customer debugging and testing distance. The demo board has external wireless module pins, and the setting parameters can be saved after power-off. The user can configure the wireless module through the button, such as operating frequency, transmitting power, and communication rate. For the specific pin definitions of RF4432PRO and RF4463PRO wireless modules, please refer to our detailed product specifications.

Figure 2: Shenzhen NiceRF Wireless Technology Co., Ltd. Demo board and wireless module hardware connection
The transmission and reception of wireless signals is the process of signal modulation and demodulation. Whether it is the same or different wireless module communication, the difference in modulation parameters such as the modulation format, modulation rate and frequency, frequency deviation and receiving bandwidth of the two parts of the transmitting and receiving parts will cause the communication between the modules to be unable to communicate.
2.1 SPI bus control timing
The communication between the RF4432PRO and RF4463PRO modules and the microcontroller is that the RF module transmits wireless signals according to the control commands and data written by the microcontroller through the SPI bus, and transmits the received data and related information to the microcontroller through the SPI bus. The SPI timing of Si4432 and Si4463 is slightly different.

Figure 4: Si4432 chip SPI write timing

Figure 5: Si4463 chip SPI write timing
2.2 Test mode
The DEMO demo boards of the RF4432PRO and RF4463PRO modules of Shenzhen NiceRF Wireless Technology Co., Ltd. have two test modes: regular sending and regular receiving, which is convenient for debugging programs. The common point of the RF4432PRO and RF4463 wireless modules in the DEMO demo board test mode is that they continuously transmit "101010..." and can see the received real-time waveforms on the corresponding pins.

Figure 6
2.3 Normal mode
The demo boards of Shenzhen NiceRF Wireless Technology Co., Ltd. RF4432PRO and RF4463PRO wireless modules run in the PH+FIFO mode of Si4432 and Si4463. Both Si4432 and Si4463 are equipped with 64-byte FIFO and corresponding data packet processing functions. In this mode, the chip automatically adds and detects the preamble, synchronization word, check, etc., and indicates the communication status through interrupts, which greatly facilitates the communication process. In normal mode communication, it is necessary to ensure that the data packet format settings of the two communication modules are completely consistent, otherwise the chip will not be able to generate interrupts.

Figure 7: Si4432 data packet format

Figure 8: Si4463 data packet format
2.4 Summary
Compare the data packet format of Si4432 and Si4463 chips as shown in Table 5. It can be found that the Si4463 data packet can be divided into multiple parts and each has a CRC check, and the remaining parts are basically the same. To ensure that the two chips can communicate, set the test data packet format as shown in Table 6.
| Si4432 | Si4463 | |
| Preamble | 1~8 Bytes | 1~8 Bytes |
| Sync Word | 1~4 Bytes | 1~4 Bytes |
| TX Header | √ | √ |
| Packet Length | √ | √ |
| DATA | 0~64 Bytes | 0~64 Bytes |
| CRC | 0~2 Bytes | 0,2,4 Bytes |
Table 5: Comparison of Si4432 and Si4463 data packet formats
| Preamble | Sync Word | TX Header | DATA | ||
| length | Si4432 | 8 Bytes | 2 Bytes | 4 Bytes | 10 Bytes |
| Si4463 | 8 Bytes | 2 Bytes | 4 Bytes | 10 Bytes | |
| content | Si4432 | “010101...” | 0xb42b | “swwx” | “ABCDEFGHIm” |
| Si4463 | “010101...” | 0xb42b | “swwx” | “ABCDEFGHIm” | |
Table 6: Test data packet format
The radiofrequency parameter settings used in system communication are: Si4432 and Si4463 modules at 433M and 1.2kbps, the parameters with the highest receiving sensitivity are as follows: Si4432, Si4463 frequency offset: 20kHz, 5kHz; bandwidth 61kHz, 28.62kHz; sensitivity -: 121dBm, -123dBm When Si4432 and Si4463 use the above parameters to communicate, the communication distance cannot reach the same chip communication distance. Therefore, consider setting the frequency offset of the two wireless modules to be the same. In practical applications, Si4463 is mostly compatible with Si4432. Therefore, it was decided to change the frequency offset of Si4463 to the frequency offset of Si4432 to 20kHz. (See the attachment for specific register configuration) The format of the sent data is shown in Table 6. To ensure that the RF4432PRO and RF4463PRO wireless modules can work normally and provide reference waveforms, first enable the same modules to communicate in the normal mode of the DEMO demo board under this setting.
3.1 Compare receiving and transmitting waveforms
In the data packet mode, since the chip automatically processes the data, only the results are displayed, which is not conducive to the debugging of the program. Therefore, we use the DEMO demo board test mode and external pins of Shenzhen NiceRF Wireless Technology Co., Ltd. to judge the quality of communication by synchronously observing the most intuitive way of sending and receiving waveforms.
Set GPIO2 and GPIO1 of RF4432PRO and RF4463PRO to Rx Data output function output, so that the received data can be output from the GPIO2 and GPIO1 pins in real time. Use a logic analyzer to simultaneously observe the transmitted and received waveforms of the RF4463PRO and RF4432PRO wireless modules and compare them accordingly. As shown in Figure 10, it can be found that RF4432PRO and RF4463PRO can correctly receive each other's transmitted signals.


Figure 9: 433MHz, 1.2Kbps, 20KHz frequency offset RF4432 and RF4463 receiving test waveform
Continue to receive in the test mode for a period of time, observe each received waveform, as shown in Figure 11, find that the received signal is not deformed, and judge that the RF4432PRO and RF4463PRO wireless modules can communicate normally under this radio frequency parameter.

Figure 11: RF4463 receiving waveform under 433MHz, 1.2kbps, 30khz frequency offset
3.2 Data packet mode reception
The RF4432PRO module and the RF4463PRO module receive the correct waveforms from each other, so the RF parameters are retained, and the working mode of the demo board of Shenzhen NiceRF Wireless Technology Co., Ltd. is set to normal mode to see if the chip can interrupt. It was found that neither the RF4432PRO module nor the RF4463PRO module generated a receiving interrupt. Set the DEMO demo board to RF4432PRO normal transmission, RF4463PRO test reception, RF4463PRO normal transmission, RF4432PRO test reception, and compare the waveforms of the data packets transmitted by RF4432PRO and RF4463PRO. It is found that the data packet format settings of the two modules are inconsistent.

Figure 12: RF4432 and RF4463 sending data packet waveform at 433MHz, 1.2Kbps, 20Khz frequency offset
After comparison, it is found that the 4463 synchronization word does not match the setting "0x2DD4", but "0xB42B". And the preamble of 4432 is "0101...", not the previous default "1010...". Re-adjust the data packet format of the two modules and use the DEMO demo board to communicate in normal mode. It was found that both the RF4432PRO and RF4463PRO wireless modules had received interruptions.

Figure 13: 433MHz, 1.2Kbps, 20Khz frequency offset RF4463, and RF4432 interrupt
3.3 Overall flow chart

Figure 14: RF4432PRO and RF4463PRO communication debugging flowchart
4.1 Hardware results
RF4463PRO works in the normal transmitting mode of the DEMO demo board of Shenzhen NiceRF Wireless Technology Co., Ltd., and RF4432PRO works in the normal receiving mode of the DEMO demo board. The number of packets sent and received is displayed on the screen. As shown in Figure 18, there is no packet loss after sending for a period of time.

Figure 15: The physical diagram of the communication between RF4432PRO (left) and RF4463PRO
4.2 Software results
In Figure 19, 4432IRQ is the interrupt pin of RF4432PRO, and 4463IRQ is the interrupt pin of RF4463PRO. It can be seen that each sending interrupt has a corresponding receiving interrupt.

Figure 16: RF4432PRO and RF4463PRO communication interrupted
The key to the experiment lies in the initialization settings of the RF4432PRO and RF4463PRO wireless modules, and the rest are consistent with the communication procedures between the same wireless modules. The RF4432PRO and RF4463PRO wireless module initialization codes that are feasible for the following tests can be directly substituted into the communication program to realize the communication between the RF4432PRO and RF4463PRO wireless modules. The complete test program used in this experiment can be seen in the RF4432 DEMO CODE and RF4463 DEMO CODE on the official website of Shenzhen NiceRF Wireless Technology Co., Ltd.
5.1 RF4432PRO initialization example
si4432_config.rar
5.2 RF4463PRO initialization example
si4463_config.rar
Note: The attachment download location is below the article title.
This article describes the detailed implementation process, hardware interface and sample program of the wireless transceiver module communication RF4432PRO and RF4463PRO of Shenzhen NiceRF Wireless Technology Co., Ltd., which is feasible through experiments. The basic method to realize communication is to set RF4432PRO and RF4463PRO to the same radio frequency parameters and data format. This method can also be extended to other communication between different wireless modules and wireless chips. If you encounter experimental phenomena that are different from those in the article, if you have any questions about the experimental process or other ideas, welcome to have technical exchanges with us.
Please indicate: The source is NiceRF Wireless Technology Co., Ltd., otherwise once found, offenders must be investigated.
+86-755-23080616
sales@nicerf.com
Website: https://www.nicerf.com/
Address: 309-315, 3/F, Bldg A, Hongdu business building, Zone 43, Baoan Dist, Shenzhen, China
Privacy Policy
· Privacy Policy
There is currently no content available
Email:sales@nicerf.com
Tel:+86-755-23080616