Contactus
Note: The module is internally regulated by 3.3V LDO. The CS pin and SET pin control are 3.3V levels. TXD and RXD are also 3.3V levels.
| Parameters | Min. | Typ. | Max. | Unit | Condition |
| Working Condition | |||||
| Voltage range | 3.3 | 5.0 | 6.5 | V | |
| Operating Temperature | -40 | 25 | +85 | ℃ | |
| Current Consumption | |||||
| Rx current | <15 | mA | TTL level | ||
| Tx current | < 130 | mA | |||
| Sleep current | < 200 | uA | |||
| RF Parameters | |||||
| Frequency range | 414.92 | 433.92 | 453.92 | MHz | @433MHz |
| 470.92 | 489.92 | 509.92 | MHz | @470MHz | |
| 849.92 | 868.92 | 888.92 | MHz | @868MHz | |
| 895.92 | 914.92 | 934.92 | MHz | @915MHz | |
| Data rate | 91 | 656 | 17353 | bps | @LoRa |
| Output power | 4 | 20 | +20 | dBm | Software level 7 adjustable |
| Sensitivity | -139 | dBm | @91bps | ||
| Interface | TTL |
| Network | MESH |
| Frequency | 433MHz,470MHz,868MHz,915MHz |
| Modulation | LoRa |
| Output Power | 100mW |


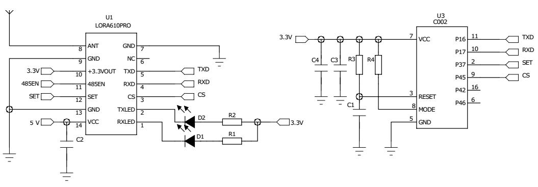
| NO. | PIN | Description |
| 1 | RXLED | Receive signal indicator, low level, default high |
| 2 | TXLED | Transmit signal indicator, low level, default high |
| 3 | CS | Module enable pin (built-in pull-up) Note: Default factory version: sleep current <200uA, CS pulled high or suspended for normal communication, sleep at low level; Low power consumption version: sleep current <15uA, normal communication when CS is pulled low, pull high or float to sleep. |
| 4 | RXD | Serial communication data reception |
| 5 | TXD | Serial communication data transmission |
| 6 | NC | No use |
| 7 | GND | Antenna Ground |
| 8 | ANT | RF signal output, connected to 50 ohm antenna |
| 9 | GND | Antenna Ground |
| 10 | +3.3V OUT | 3.3V voltage output pin, can drive devices within 50mA |
| 11 | 485EN | Can be connected to the external expansion 485 level control conversion pin |
| 12 | SET | Configuration parameter enable (low level enable parameter configuration, default high level output) |
| 13 | GND | Connect the negative pole of the power supply, ground wire |
| 14 | VCC | Connect the positive pole of the power supply (typically 5V) |

Privacy Policy
· Privacy Policy
There is currently no content available
Email:sales@nicerf.com
Tel:+86-755-23080616