The SA316S series products are divided into transmitter modules SA316S-TX, SA316F30, and receiver module SA316S-RX. This series uses a wireless high-quality voice transmission chip for its design. It can support external PCM / IIS dual-mode digital audio interfaces, and provides customers with a standardized serial interface. Users can quickly and easily set the module's transceiver frequency, volume, microphone gain, and other parameters through serial port commands, which is widely used in situations that require high sound quality.
Parameter | Test Conditions | Min. | Typ. | Max. | Unit |
Operating voltage range | @SA316S-TX, SA316-RX | 2.8 | 3.3 | 3.6 | V |
@SA316F30 | 3.3 | 4.0 | 5.0 | ||
Range of working temperature | -20 | 25 | 60 | ℃ | |
Operating frequency range | @UHF | 500 | 540 | MHz | |
800 | 890 | MHz | |||
890 | 980 | MHz | |||
@VHF | 160 | 270 | MHz | ||
Audio transmission and reception delay | 4 | ms | |||
Serial port baud rate | 9600 | bps | |||
Current consumption | |||||
Sleep current(SA316-RX) | <0.4 | mA | |||
Sleep current | SA316S-TX | 5 | 10 | uA | |
| SA316F30 | <1.6 | mA | |||
Receive current(SA316-RX) | @VCC=3.3V | < 115 | mA | ||
Transmit Current(SA316S-TX) | @ During Transmission | < 100 | mA | ||
@Not Transmitting | <54 | mA | |||
Transmit Current(SA316F30-TX) | @During Transmission,5v | < 700 | mA | ||
@Not Transmitting,5v | <60 | mA | |||
Transmit parameter | |||||
Transmit power | @SA316S-TX, VCC=3.3V | 9 | 10 | 11 | dBm |
@SA316F30-TX, VCC=5.0V | 29 | 30 | 31 | dBm | |
Emission bandwidth(BW) | 300 | KHz | |||
Adjacent channel power ratio(ACPR) | @600KHZ | -60 | dBc | ||
Maximum microphone input voltage | 0.1 | 1.0 | Vrms | ||
Audio frequency response range | 30 | 20k | Hz | ||
Receive parameters | |||||
Receiving sensitivity | -96 | dBm | |||
Audio output amplitude (differential) | 400 | mVrms | |||
Audio output drive resistance | 600 | Ohm | |||
Signal to Noise Ratio (SNR) | @1KHz | 86 | dB | ||
Total harmonic distortion (THD) | @48KSampling Rate | 0.07 | % | ||
| Type | Wireless audio |
| Output Power | 10mW |
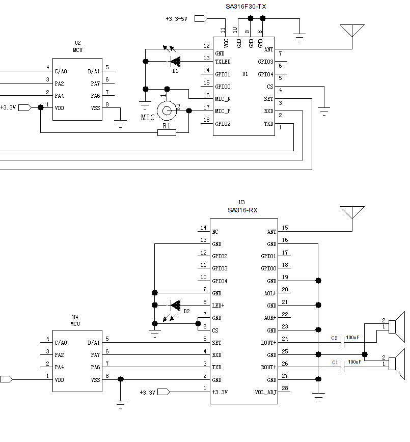
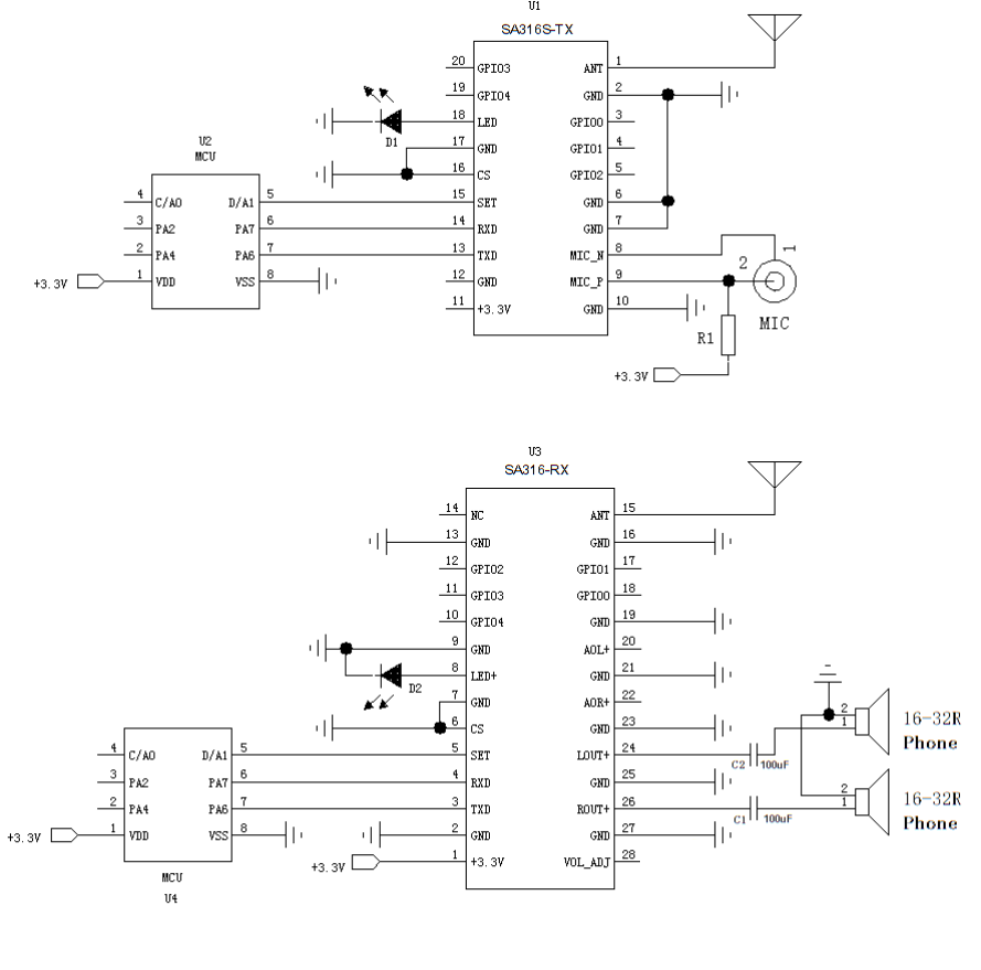
Analog input and analog output application circuit


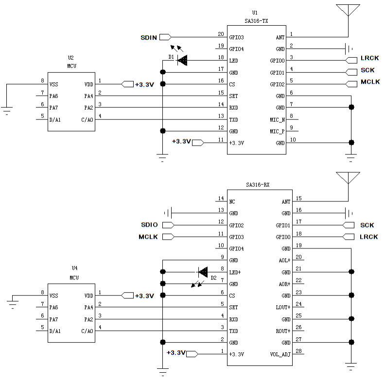
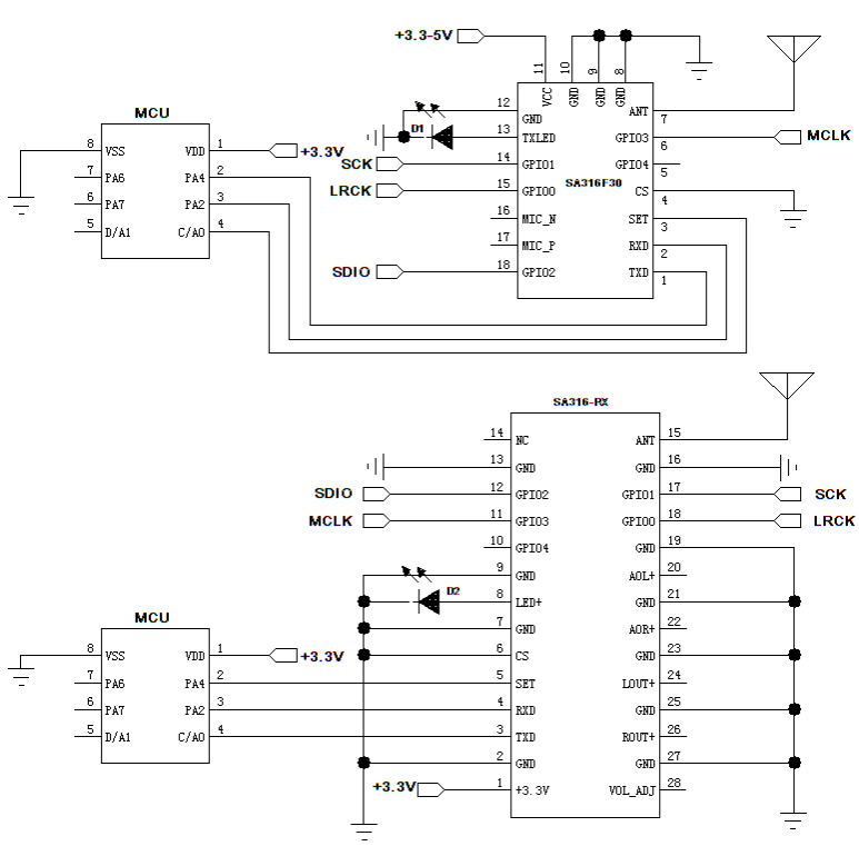
IIS input and output application circuit


SA316-TX

| Pin NO. | Pin name | I/O | Level standard | Description |
| 1 | ANT | 0 | RF signal output, connect to 50 ohm antenna | |
| 2、6、7、10、12、17 | GND | 0V | Connect to the negative pole of the power supply | |
| 3 | GPIO0 | I/O | 0-3.3V | The GPIO0 of the built-in audio chip can be configured as LRCK when using I2S mode |
| 4 | GPIO1 | I/O | 0-3.3V | The GPIO1 of the built-in audio chip can be configured as SCK when using I2S mode |
| 5 | GPIO2 | I/O | 0-3.3V | The GPIO2 of the built-in audio chip can be configured as MCLK when using I2S mode |
| 8 | MIC_N | I | Negative end of microphone input, can be left floating | |
| 9 | MIC_P | I | Positive end of microphone input, (the best signal is less than 300mVrms) | |
| 11 | VCC | +3.3V | Power positive input (2.8V-3.6V, typical 3.3V) | |
| 13 | TXD | O | 0-3.3V | Serial data output |
| 14 | RXD | I | 0-3.3V | Serial data input |
| 15 | SET | I | 0-3.3V | Function temporarily reserved |
| 16 | CS | I | 0-3.3V | Module sleep pin (low level work, high level sleep) |
| 18 | LED | O | 0-3.3V | Output indication, high output when transmitting signal, low output when not transmitting signal |
| 19 | GPIO4 | I/0 | 0-3.3V | GPIO4 of the built-in audio chip |
| 20 | GPIO3 | I/O | 0-3.3V | The GPIO3 of the built-in audio chip can be configured as SDIN when using I2S mode |
SA316-F30

Pin NO. | Pin name | I/O | Level standard | Description |
1 | TXD | O | 0-3.3V | Serial Data Output |
2 | RXD | I | 0-3.3V | Serial data input |
3 | SET | I | 0-3.3V | Function temporarily reserved |
4 | CS | I | 0-3.3V | Module sleep pin (low level work, high level sleep) |
5 | GPIO4 | I/0 | 0-3.3V | GPIO4 of the built-in audio chip |
6 | GPIO3 | I/O | 0-3.3V | The GPIO3 of the built-in audio chip can be configured as SDIN when using I2S mode |
7 | ANT | 0 | RF signal output, connect to 50 ohm antenna | |
8.9,10,12 | GND | 0V | Connect to the negative pole of the power supply | |
11 | VCC | +3.3-5.0V | Power positive input (+3.3V-5.0V, typical 4.2V) | |
13 | TXLED | O | 0-3.3V | Output indication: High when transmitting, low when not. |
14 | GPIO2 | I/O | 0-3.3V | Connect audio chip's GPIO2 to I2S mode as MCLK. |
15 | GPIO1 | I/O | 0-3.3V | Connect GPIO1 of audio chip to I2S mode as SCK. |
16 | MIC_N | I | Negative end of microphone input, connect to GND | |
17 | MIC_P | I | Positive end of microphone input, (the best signal is less than 200mVrms) | |
18 | GPIO0 | I/O | 0-3.3V | The GPIO0 of the built-in audio chip can be configured as LRCK when using I2S mode |
SA316-RX

| Pin NO. | Pin name | I/O | Level standard | Description |
| 1 | VCC | +3.3V | Power positive input (2.8V-3.6V, typical 3.3V) | |
| 2,7,9,13,16, 19,21,23,25,27 | GND | 0V | Connect to the negative pole of the power supply | |
| 3 | TXD | O | 0-3.3V | Serial data output |
| 4 | RXD | I | 0-3.3V | Serial data input |
| 5 | SET | I | 0-3.3V | Function temporarily reserved |
| 6 | CS | I | 0-3.3V | Module sleep pin (low level work, high level sleep) |
| 8 | LED | O | 0-3.3V | Output indication, output high after receiving signal, low when no signal |
| 10 | GPIO4 | I/0 | 0-3.3V | GPIO4 of the built-in audio chip |
| 11 | GPIO3 | I/O | 0-3.3V | The GPIO3 of the built-in audio chip can be configured as MCLK when using I2S mode |
| 12 | GPIO2 | I/O | 0-3.3V | The GPIO2 of the built-in audio chip can be configured as SDIO when using I2S mode |
| 15 | ANT | I | RF signal input, connect to 50 ohm antenna | |
| 17 | GPIO1 | I/O | 0-3.3V | The GPIO1 of the built-in audio chip can be configured as SCK when using I2S mode |
| 18 | GPIO0 | I/O | 0-3.3V | The GPIO0 of the built-in audio chip can be configured as LRCK when using I2S mode |
| 20 | AOL+ | O | Chip audio output negative terminal (up to 600mVrms) | |
| 22 | AOR+ | 0 | Chip audio output positive terminal (up to 600mVrms) | |
| 24 | LOUL LOUT+ | O | The amplified audio output is the left channel output, which can directly drive headphones after connecting 100UF capacitors in series | |
| 26 | ROUT+ | O | The amplified audio output is the right channel output, which can directly drive the headphones after connecting a 100UF capacitor in series | |
| 28 | VOL_ADJ | I | Leave floating |
SA316-TX

SA316-RX

SA316F30-TX

Privacy Policy
· Privacy Policy
There is currently no content available
Email:sales@nicerf.com
Tel:+86-755-23080616