Type: Wireless Audio
Certification: Others
Output Power: 160mW
Size:48.1*33.9
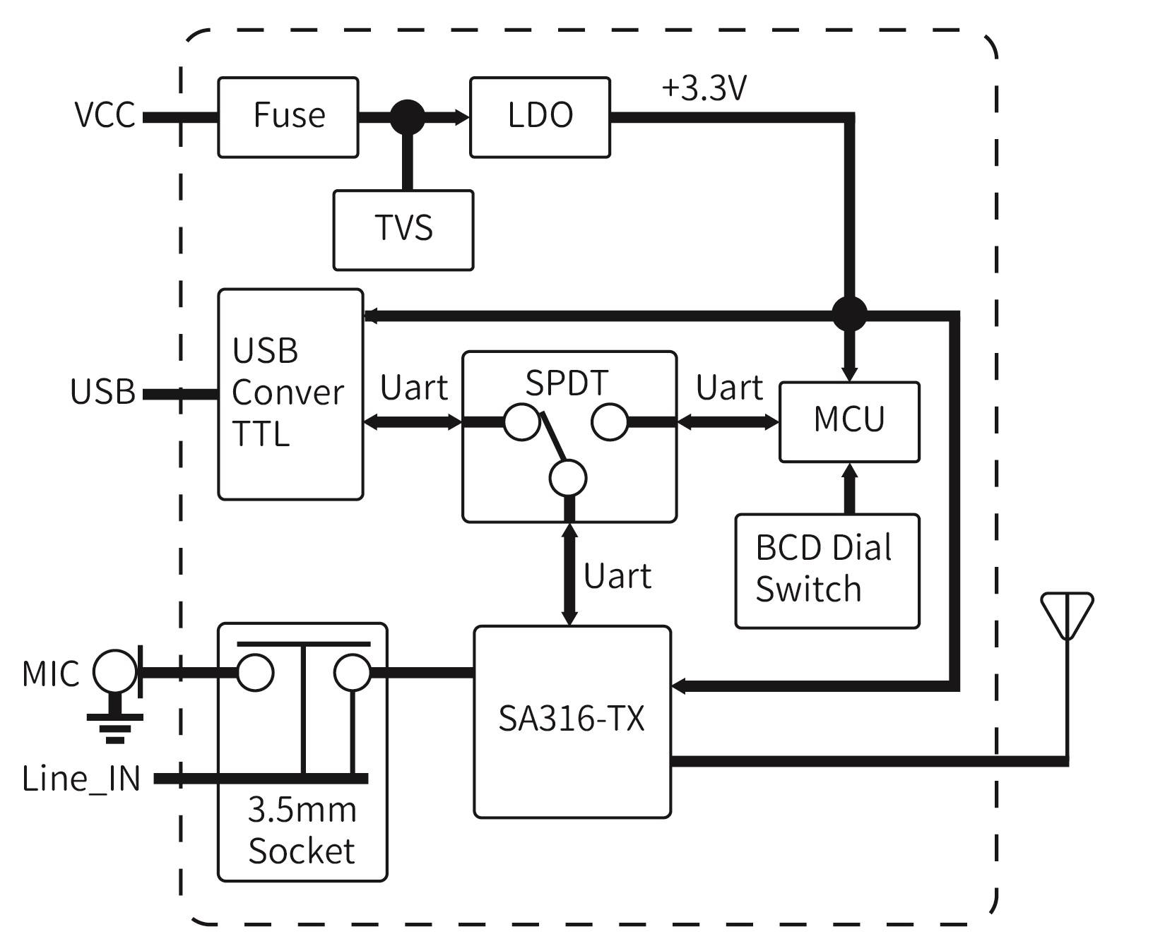
NiceRF launched a new low-latency, long-distance, high-sampling rate, high-fidelity wireless audio module SA326. SA326 series products are divided into transmitter module SA326-TX and receiver module SA326-RX. This product is an application board for SA316-TX and SA316-RX modules. It can work after power-on. You can also directly set the frequency of the module with PC software. , Sound size and other parameters, greatly simplify the user's development difficulty, this product is widely used in occasions with relatively high sound quality requirements.
Parameter | Test Conditions | Min. | Typ. | Max. | Unit |
Operating voltage range | 3.3 | 4.2 | 5 | V | |
Range of working temperature | -20 | 25 | 60 | ℃ | |
Operating frequency range | @UHF | 500 | 980 | MHz | |
@VHF | 160 | 270 | MHz | ||
Audio transmission and reception delay | 4 | ms | |||
Serial port baud rate | 9600 | bps | |||
Current consumption | |||||
Sleep current(SA326-RX) | < 45 | uA | |||
Sleep current(SA326F30-TX) | < 20 | uA | |||
Receive current(SA326-RX) | @VCC=4.2V | < 140 | mA | ||
Transmit Current(SA326-TX) | @Not Transmitting | < 75 | mA | ||
@ During Transmission | <120 | mA | |||
Emission current(SA326F30-TX) | @Not Transmitting,5v | < 75 | mA | ||
@During Transmission,5v 30dBm | < 700 | mA | |||
Transmit parameter | |||||
Transmit power | @VCC=4.2V | 9 | 10 | 11 | dBm |
@VCC=5.0V | 29 | 30 | 31 | dBm | |
transmit power range | @VCC=4.2V | 0 | 10 | dBm | |
@VCC=5.0V | 20 | 30 | dBm | ||
Emission bandwidth(BW) | 300 | KHz | |||
Adjacent channel power ratio(ACPR) | @600KHZ | -60 | dBc | ||
Maximum microphone input voltage | 0.3 | 1.5 | Vrms | ||
Audio frequency response range | 30 | 20k | Hz | ||
Receive parameters | |||||
Receiving sensitivity | -96 | dBm | |||
Audio output amplitude (differential) | 400 | mVrms | |||
Audio output drive resistance | 600 | Ohm | |||
LOUT+,ROUT+Driving Resistor | 16-32 | Ohm | |||
SPKP,SPKN Driving Resistor | 4-8 | Ohm | |||
Signal to Noise Ratio (SNR) | @1KHz, | 86 | dB | ||
Total harmonic distortion (THD) | @48K Sampling Rate | 0.07 | % | ||
| Type | Wireless audio |
| Output Power | 10mW |
SA326-TX

SA326F30-RX

SA326-TX

| Pin NO. | Pin name | I/O | Level standard | Description |
| 1 | GND | 0 | Connect the negative pole of the power supply | |
| 2 | 1 | I | 0-3.3V | Frequency 16 channel 8421 encoding, the first digit, default "1" output |
| 3 | 2 | I | 0-3.3V | Frequency 16-channel 8421 encoding, the second bit, default "1" output |
| 4 | 4 | I | 0-3.3V | Frequency 16 channel 8421 encoding, the 4th bit, default "1" output |
| 5 | 8 | I | 0-3.3V | Frequency 16 channel 8421 encoding, the 8th bit, default "1" output |
| 6 | CS | I/O | 0-3.3V | Internally connected to the EN of the LDO, pull down the dormancy, internal pull-up, default "1" output |
| 7 | GND | 0 | Connect the negative pole of the power supply | |
| 8 | VCC | 3.3-6V | The positive pole of the external power supply. (Typical value 4V) | |
| 9 | GPIO0 | I/O | 0-3.3V | Internally connected to GPIO0 of SA316-TX, when using I2S mode, it can be configured as LRCK |
| 10 | GPIO1 | I/O | 0-3.3V | Internally connected to GPIO1 of SA316-TX, when using I2S mode, it can be configured as SCK |
| 11 | GPIO2 | I/O | 0-3.3V | Internally connected to GPIO2 of SA316-TX, when using I2S mode, it can be configured as MCLK |
| 12 | GPIO3 | I/O | 0-3.3V | Connect to GPIO3 of SA316-TX, it can be configured as SDIN when using I2S mode |
| 13 | GPIO4 | I/0 | 0-3.3V | GPIO4 with internal audio chip |
| 14,15 | GND | 0 | Connect the negative pole of the power supply | |
| 16 | MIC_P | I | Microphone input positive terminal, (the best signal is less than 300mVrms) |
SA326-RX

| Pin NO. | Pin name | I/O | Level standard | Description |
| 1 | 1 | I | 0-3.3V | Frequency 16 channel 8421 encoding, the first digit, default "1" output |
| 2 | 2 | I | 0-3.3V | Frequency 16-channel 8421 encoding, the second bit, default "1" output |
| 3 | 4 | I | 0-3.3V | Frequency 16 channel 8421 encoding, the 4th bit, default "1" output |
| 4 | 8 | I | 0-3.3V | Frequency 16 channel 8421 encoding, the 8th bit, default "1" output |
| 5 | GPIO4 | I/O | 0-3.3V | Connect to GPIO4 of SA316-RX |
| 6 | GPIO3 | I/O | 0-3.3V | Internally connected to GPIO3 of SA316-RX, it can be configured as MCLK when using I2S mode |
| 7 | GPIO2 | I/O | 0-3.3V | Internally connected to GPIO2 of SA316-RX, when using I2S mode, it can be configured as SDIO |
| 8 | CS | I/O | 0-3.3V | Internally connected to the EN of the LDO, pull down the dormancy, internal pull-up, default "1" output |
| 9 | GND | I | 0 | Connect the negative pole of the power supply |
| 10 | VCC | I | 3.3-6V | The positive pole of the external power supply. (Typical value 4V) |
| 11 | GPIO1 | I/O | 0-3.3V | Internally connected to GPIO1 of SA316-RX, when using I2S mode, it can be configured as SCK |
| 12 | GPIO0 | I/O | 0-3.3V | Internally connected to GPIO0 of SA316-RX, when using I2S mode, it can be configured as LRCK |
| 13 | GND | I | 0 | Connect the negative pole of the power supply |
| 14 | LOUL LOUT+ | O | Connect to LOUT+ of SA316-RX, which can directly drive earphones | |
| 15 | GND | I | 0 | Connect the negative pole of the power supply |
| 16 | ROUT+ | O | Connect to ROUT+ of SA316-RX, which can directly drive earphones | |
| 17 | GND | I | 0 | Connect the negative pole of the power supply |
| 18 | VOL-ADJ | I | 3.33. 3.3V | Volume adjustment pin, the module has been connected to a 50K ohm adjustable potentiometer, and an external potentiometer can be connected |
| 19 | SPKN | O | Power amplifier output pin, external 4 ohm or 8 ohm 2W speaker | |
| 20 | SPKP | O | Power amplifier output pin, external 4 ohm or 8 ohm 2W speaker |
SA326-TX

SA326-RX

SA326F30-TX

Privacy Policy
· Privacy Policy
There is currently no content available
Email:sales@nicerf.com
Tel:+86-755-23080616