LoRa1276-915 : FCC ID Certified 915MHz SX1276 Front End LoRa Module
Type: LoRa Front-End Modules
Certification: FCC ID
Modulation: LoRa
Chip: SX1276
Interface: SPI
Output Power: 100mW
Frequency: 915MHz
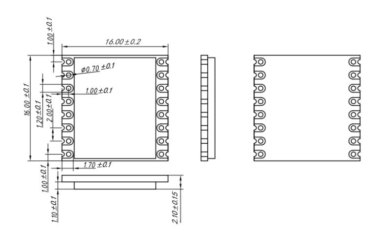
Size:17.3*17
| Parameter | Min | Typ. | Max. | Unit | Condition |
| Operation Condition | |||||
| Working voltage | 1.8 | 3.3 | 3.7 | V | |
| Temperature range | -40 | 85 | °C | ||
| Current Consumption | |||||
| RX current | 10.8 | mA | |||
| TX current | 120 | mA | @20dBm | ||
| Sleep current | 1 | uA | |||
| RF Parameter | |||||
| Frequency range | 900 | 915 | 940 | MHz | @915MHz |
| Data rate | 1.2 | 300 | Kbps | FSK | |
| 0.018 | 37.5 | Kbps | LoRa | ||
| Output power | -1 | 20 | dBm | ||
| Receiving sensitivity | -123 | dBm | @FSK data=1.2kbps, Fdev=10kHz | ||
| -139 | dBm | @LoRa BW=125KHz_SF = 12_CR=4/5 | |||
| Interface | SPI |
| Chip | SX1276 |
| Frequency | 915MHz |
| Modulation | LoRa |
| Output Power | 100mW |
| Certification | FCC ID, IC ID |



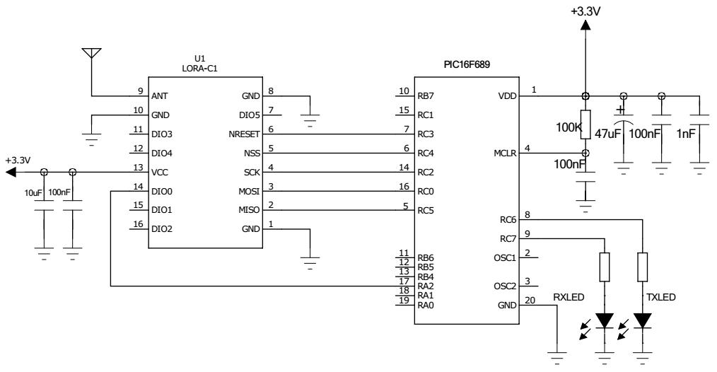
| Pin NO. | Pin name | Description |
| 1 | GND | power ground |
| 2 | MISO | SPI Output for SPI data |
| 3 | MOSI | SPI Input for SPI data |
| 4 | SCK | Serial clock for SPI interface |
| 5 | NSS | SPI enable |
| 6 | NRESET | Reset input |
| 7 | DIO5 | Digital I/O, customizable |
| 8 | GND | power ground |
| 9 | ANT | Connect with 50 ohm coaxial antenna |
| 10 | GND | power ground |
| 11 | DIO3 | Digital I/O, customizable |
| 12 | DIO4 | Digital I/O, customizable |
| 13 | VCC | Connected power supply(default 3.3V) |
| 14 | DIO0 | Digital I/O, customizable |
| 15 | DIO1 | Digital I/O, customizable |
| 16 | DIO2 | Digital I/O, customizable |

Privacy Policy
· Privacy Policy
There is currently no content available
Email:sales@nicerf.com
Tel:+86-755-23080616