zd1PRODUCTSLORA & LORAWAN MODULES (SPI ) LORA1276-915 : FCC ID CERTIFIED 915MHZ SX1276 FRO...
LoRa1276-915 : FCC ID Certified 915MHz SX1276  Front End LoRa Module
LoRa1276-915 : FCC ID Certified 915MHz SX1276  Front End LoRa Module
LoRa1276-915 : FCC ID Certified 915MHz SX1276  Front End LoRa Module
LoRa1276-915 : FCC ID Certified 915MHz SX1276  Front End LoRa Module
LoRa1276-915 : FCC ID Certified 915MHz SX1276  Front End LoRa Module
LoRa1276-915 : FCC ID Certified 915MHz SX1276  Front End LoRa Module
LoRa1276-915 : FCC ID Certified 915MHz SX1276  Front End LoRa Module
LoRa1276-915 : FCC ID Certified 915MHz SX1276  Front End LoRa Module
LoRa1276-915 : FCC ID Certified 915MHz SX1276  Front End LoRa Module
LoRa1276-915 : FCC ID Certified 915MHz SX1276  Front End LoRa Module
LoRa1276-915 : FCC ID Certified 915MHz SX1276  Front End LoRa Module
LoRa1276-915 : FCC ID Certified 915MHz SX1276  Front End LoRa Module

LoRa1276-915 : FCC ID Certified 915MHz SX1276 Front End LoRa Module

  • The LoRa module LoRa1276 integrates Semtech RF transceiver chip SX1276, which adopts LoRa Spread Spectrum modulation frequency hopping technique. Its communication distance and receiving sensitivity are much better than the current FSK and GFSK modulation. Multi-signal won't affect each other even in crowd frequency environment; it comes with strong anti-interference performance. This module antenna switch is integrated and controlled by the chip. Its compact size is matched with an output power of 100mw. It can be widely used in wireless meter reading, remote industrial control and other industries.
  • LoRa1276 comply with lead-free craft in production and testing and meets RoHS and REACH standards.
  • LoRa1276-915 has obtained FCC ID certification.
Parameter Min. Typ.  Max. Unit Condition
Operation Condition
Working voltage 1.8 3.3 3.7 V  
Temperature range -40   85  
Current Consumption
RX current   10.8   mA  
TX current   120   mA @20dBm
Sleep current   1   uA  
RF Parameter
Frequency range 900 915 940 MHz @915MHz
Data rate 1.2   300 Kbps FSK
0.018   37.5 Kbps Lora
Output power -1   20 dBm  
Receiving sensitivity   -123   dBm @FSK data=1.2kbps, Fdev=10kHz
  -139   dBm @Lora BW=125KHz_SF = 12_CR=4/5
Interface SPI
Chip SX1276
Frequency 915MHz
Modulation LoRa
Output Power 100mW
Certification FCC ID

Features of SX1276 LoRa Module LoRa1276

  • Frequency Range:915 MHz(Customizable137-1020 MHz)
  • Sensitivity:-139dBm @Lora
  • Maximum output power:20 dBm
  • Low receiving current:10.8 mA
  • Sleep current < 1.5uA
  • Data transfer rate:1.2-300 Kbps @FSK   0.018-37.5 Kbps @Lora,
  • Lora、FSK、GFSK Modulation mode
  • Built-in ESD Protection
  • 127dB Dynamic Range RSSI
  • 256 bytes FiFo&CRC
  • Frequency hopping function
  • Built-in temperature sensor and low battery indicator
  • Operating Temperature Range:-40 ~ +85 °C

Applications of SX1276 LoRa Module LoRa1276

  • Remote meter reading
  • Industrial control
  • Home automation remote sensing
  • Toys control
  • Sensor network
  • Tire pressure monitoring
  • Health monitoring
  • Wireless PC peripherals

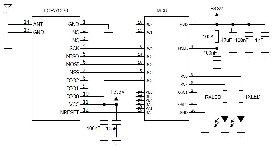
Application circuit of 915MHz LoRa wireless front - end module LoRa1276 - 915


Pin definition of 915MHz LoRa wireless front - end module LoRa1276 - 915

Pin NO.Pin nameDescription
1GNDpower ground
2NCEmpty
3NCEmpty
4SCKSerial clock for SPI interface
5MISOSPI Output for SPI data
6MOSISPI Input for SPI data
7NSSSPI enable
8DIO2Digital I/O, customizable
9DIO1Digital I/O, customizable
10DIO0Digital I/O, customizable
11VCCConnected power supply(default 3.3V)
12NRESETReset input
13GNDpower ground
14ANTConnect with 50 ohm coaxial antenna

Mechanical dimensions of 915MHz LoRa wireless front - end module LoRa1276 - 915


Contactus
PrivacyPolicy

Privacy Policy

· Privacy Policy

There is currently no content available


           

Email:sales@nicerf.com

Tel:+86-755-23080616

Address:309-315, 3/F, Bldg A, Hongdu business building, Zone 43, Baoan Dist, Shenzhen, China


×
Submit
1.180853s