Type: LoRa Front-End Modules
Certification: FCC ID
Modulation: LoRa
Chip: SX1276
Interface: SPI
Output Power: 100mW
Frequency: 915MHz
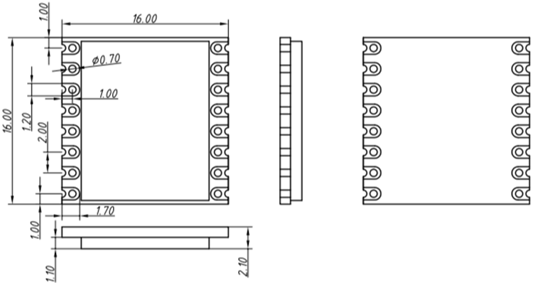
Size:17.3*17
★ The following parameters are obtained by connecting the instrument with a 50 ohm copper axis. @VCC=3.3V.
LoRa1280/Lora1281-TXCO wireless modules have obtained CE & FCC certification.

| Parameter | Min. | Typ. | Max. | Unit | Condition |
| Operation Condition | |||||
| Working voltage | 1.8 | 3.3 | 3.7 | V | |
| Temperature range | -40 | 85 | ℃ | ||
| Current Consumption | |||||
RX current | < 12 | mA | @Lora1280-TCXO | ||
| TX current | 28 | 32 | mA | @Vcc=3.3V,12.5dBm @Lora1280-TCXO | |
| Sleep current | < 1 | uA | |||
| RF Parameter | |||||
| Frequency range | 2400 | 2500 | MHz | ||
Data rate | 0.476 | 202 | Kbps | @LoRa | |
| 260 | 1300 | Kbps | @FLRC | ||
| 125 | 2000 | Kbps | @FSK | ||
| Output power | -18 | 12.5 | dBm | @VCC=3.3V | |
| Receiving sensitivity | -132 | dBm | LoRa@0.476Kbps | ||
| certification | FCC ID&CE-RED |
| Interface | SPI |
| Chip | SX1280/1281 |
| Frequency | 2.4GHz |
| Modulation | LoRa |


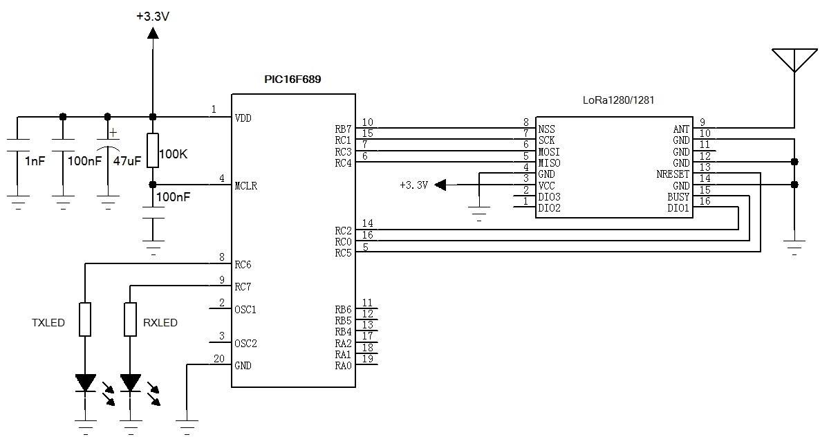
| Pin NO | Pin name | Description |
| 1 | DIO2 | Directly connected to the chip pin, configurable general-purpose IO (see the chip SX1280/1281 specification for details) |
| 2 | DIO3 | Directly connected to the chip pin, configurable general-purpose IO (see the chip SX1280/1281 specification for details) |
| 3 | VCC | Connected to the positive pole of the power supply (1.8-3.7V) |
| 4 | GND | Connected to the negative pole |
| 5 | MISO | SPI data output pin |
| 6 | MOSI | SPI data input pin |
| 7 | SCK | SPI clock input pin |
| 8 | NSS | Module chip select pin |
| 9 | ANT | Connect with 50 ohm coaxial antenna |
| 10,11,12 | GND | Connected to the negative pole |
| 13 | NRESET | Chip reset trigger pin, active low |
| Note: For Lora1280 and Lora1281 modules, PIN 14 is GND | ||
| 14 | GND | Connected to the negative pole |
| Note: For Lora1280-TCXO module, PIN 14 is TCXOEN | ||
| 14 | TCXOEN | Turn on TCXO: 1. Turn TCXOEN pin to high level before reset SX1280; 2. Delay at least 3ms to wait for the TCXO startup; 3. During the use of the 1280 module, TCXOEN must keep in high level; Turn off TCXO (if the module needs to enter sleep mode): 1. Call the SetSleep() function to make the module enter the sleep mode; 2. Delay at least 1ms to wait for module sleep; 3. Turn TCXOEN pin to low level to turn off TCXO; |
| 15 | BUSY | Status indicator pin (see SX1280/1281 specification for details) |
| 16 | DIO1 | Directly connected to the chip pin, configurable general-purpose IO (see the chip SX1280/1281 specification for details)) |

Privacy Policy
· Privacy Policy
There is currently no content available
Email:sales@nicerf.com
Tel:+86-755-23080616