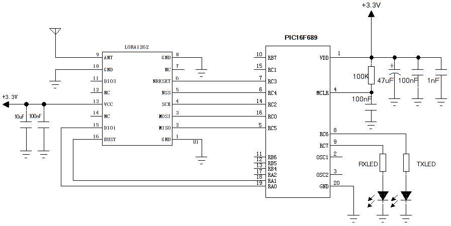
LoRa1262-915 : FCC ID Certified SX1262 915MHz LoRa Module With ESD Protection
Type: LoRa Front-End Modules
Certification: FCC ID
Modulation: LoRa
Chip: SX1262
Interface: SPI
Output Power: 160mW
Frequency: 915MHz
Size:16*16

French








